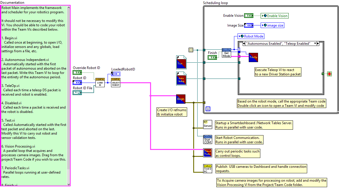
This VI implements the framework and scheduler for your robotics program. It should not be necessary to modify the framework. You are expected to add your code to the VIs called from Robot Main - the ones located in the Team Code folder within the project.


|
|
Finish |
|
|
Enable Vision |
|
|
Image Size |
|
|
Robot ID |
|
|
Override Robot ID |
|
|
Robot ID File |
|
|
LoadedRobotID |





"Robot Main.vi History"
Current Revision: 263
